Wilo Star-Z – Spolehlivé řešení pro cirkulaci teplé vody
Řada oběhových čerpadel Wilo Star-Z je navržena speciálně pro oběh teplé vody, čímž zajišťuje spolehlivou a efektivní cirkulaci v průmyslových aplikacích a technických zařízeních budov. Tato čerpadla jsou ideální pro cirkulační systémy teplé vody, kde je kladen důraz na hygienu a kvalitu vody.
Použití
- Cirkulační systémy pitné vody v průmyslu a technickém vybavení objektů.
- Toto oběhové čerpadlo je vhodné pouze pro pitnou vodu.
Klíčové vlastnosti
- Třiotáčkové čerpadlo: Umožňuje nastavení tří různých rychlostí čerpání, což zajišťuje optimální výkon.
- Rychlé připojení: Snadná instalace díky promyšlenému konstrukčnímu řešení.
- Těleso čerpadla z bronzu: Vysoce odolné vůči korozi, což prodlužuje životnost čerpadla a zajišťuje stálou kvalitu vody.
- Vhodné pro tvrdost vody až 18 °dH: Čerpadlo je navrženo tak, aby efektivně pracovalo i v oblastech s vyšší tvrdostí vody.
- Teplotní odolnost: Může čerpat vodu o teplotě až do +65 °C (krátkodobě až 2 hodiny do +75 °C), což zajišťuje flexibilitu v různých aplikacích.
- Odolný motor: Motor odolný vůči zablokování, což zvyšuje spolehlivost a snižuje nároky na údržbu.
Technické parametry
- Skříň čerpadla: Vyrobená z červeného bronzu pro zvýšenou odolnost a dlouhou životnost.
- Oběžné kolo: Vyrobeno se skleněným vláknem zesíleného plastu, což zajišťuje lehkost a odolnost.
- Hřídel a ložiska: Keramická hřídel s uhlíkovými kluznými ložisky impregnovanými syntetickou pryskyřicí pro maximální odolnost a nízké tření.
Atestace na pitnou a teplou vodu
Čerpadlo Wilo Star-Z má atestaci na použití s pitnou a teplou vodou, což garantuje jeho bezpečnost a vhodnost pro všechny aplikace vyžadující vysokou kvalitu a čistotu vody. Tato certifikace zajišťuje, že čerpadlo splňuje nejpřísnější normy pro hygienu a bezpečnost při čerpání pitné vody.
| Kategorie: | Oběhová čerpadla |
|---|---|
| Záruka: | 2 roky |
| EAN: | 4016322364221 |
| Jmenovitý proud (A): | 0,22 |
| Jmenovitý výkon motoru - P2 (kW): | 0,03 |
| Kondenzátor: | integrován |
| Konstrukce: | mokroběžná |
| Maximální průtok (l/min): | 60 |
| Maximální výtlak (m): | 2,30 |
| Oběžné kolo materiál: | noryl |
| Ochrana proti chodu nasucho: | NE |
| Regulace otáček: | NE |
| Sací hrdlo ("): | 6/4 |
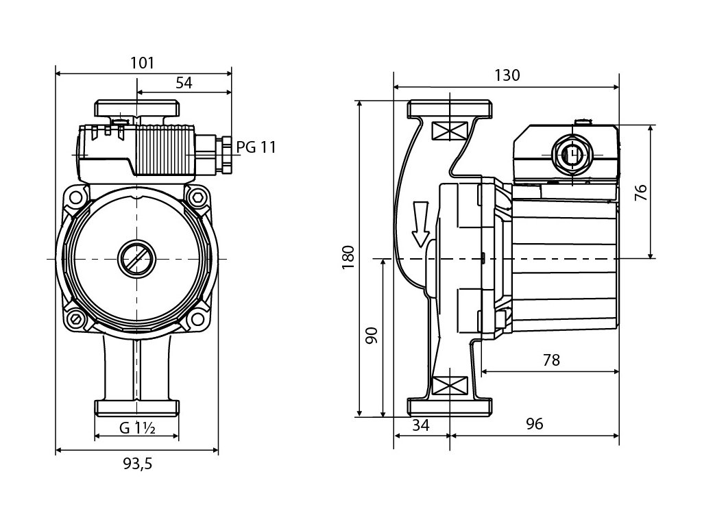
| Stavební délka: | 180 |
| Stupeň krytí (IP): | 44 |
| Teplota média max. (°C): | 65 |
| Vlastní vypínač: | NE |
| Vstupní napětí (V): | 230 |
| Výtlačné hrdlo ("): | 6/4 |
Buďte první, kdo napíše příspěvek k této položce.
Přidat komentář
