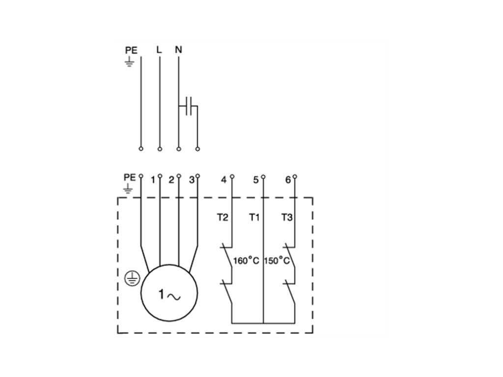
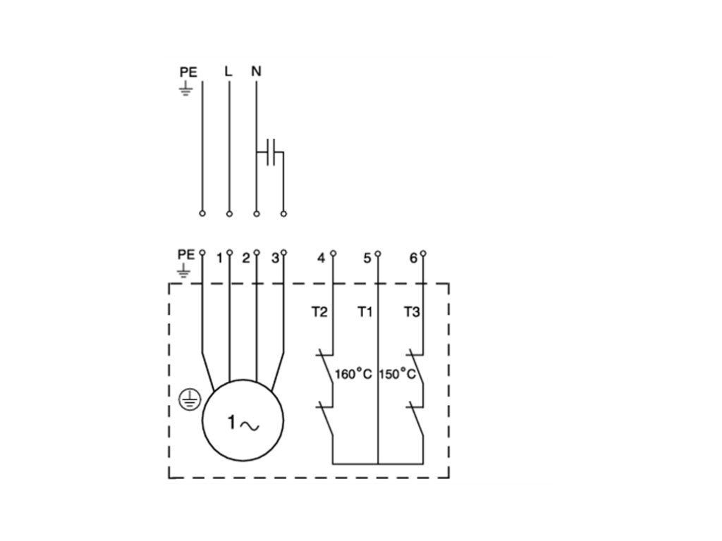
Grundfos SLV.80.80.11.4.50D 1,5kW 400V kal.čerpadlo
Popis
- Čerpadla jsou k dispozici s oběžným kolem SuperVortex (SLV) pro aplikace, které požadují málo provozních hodin, s obsahem suchých částic nad 5 % a průchodností do 100 mm, nebo s oběžným kolem S-tube (SL) pro aplikace s velkým počtem provozních hodin, obsahem suchých částic do 3 % a průchodností až 160 mm
- Oběžné kolo S-tube je navrženo pro aplikace s odpadní vodou, která obsahuje pevné části
- Jednoduchý a robustní design S-tube oběžného kola nabízí perfektní hydraulickou účinnost bez omezení požadavků na průchodnost
- Čerpadla typu SLV a SL jsou vhodná na trvalou ponornou instalaci, např. pomocí automatické spojky se systémem vodicí tyčí nebo jako volně stojící čerpadlo na podstavci s hadicovou přípojkou
- Jejich hlavními výhodami jsou spolehlivost, jednoduchá údržba a úplná kompatibilita systému
- Čerpadla SL jsou navržena pro ponorné použití v čerpacích stanicích v rámci sítě, čistírnách odpadních vod, veřejných budovách, obytných domech a průmyslu
Charakteristika
- Vodotěsná kabelová koncovka
- Unikátní spojení spirály a motoru pomocí stahovací spony
- Oběžná kola S-tube nebo SuperVortex
- Průchodnost max. 160 mm
- Unikátní hřídelová ucpávka typu cartridge
- Modulární konstrukce
- Minimální prostoje
| Kategorie: | Kalová čerpadla |
|---|---|
| Záruka: | 2 roky |
Buďte první, kdo napíše příspěvek k této položce.
Přidat komentář
